3樓的大哥看來你有EDGE說明書的電子版啊,那個圖我見過,能把你的電子版說明書共享給我嗎?我的郵箱
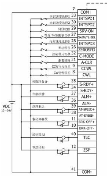
GXYWAZ1314@163.COM而且您應該對海寶很了解,請教下那個KA1是系統外部繼電器嗎?通過我測量我了解到驅動口的24腳和25腳實際上是連接在一個繼電器的常開點上的,如果他們之間還有一個KA1的線圈的話那么這個繼電器是在哪?系統內部還是外部啊?
還有一個我問過的問題就是EDGE的一些控制是否需要,I/O接口的17或者18腳與外置直流24電源的COM短接形成等電位?舉例來說如果我把18腳與外置開關電源的COM短上,會發生什么?會不會發生過點某個環節而達到直接把伺服使能給上的情況呢?
最后謝謝您的回復并期待您的解答!!!