圖片:

今天修一臺數控設備時遇到一個問題(是GE—FANUC系統),感覺有點困惑
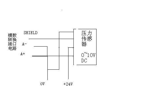
該機床應用了多個壓力傳感器,傳感器信號經模數轉換后送plc輸入端口。(注:PLC輸入狀態由于其他因素無法監控)
維修中,檢查傳感器模擬量信號時,發現在壓力有明顯變化時(由4MP變為0MP),模擬電壓卻沒有變化
我分別對A+/A-和A+/SHIELD端子測量,兩組測量結果都一樣,均為11.4V,
將傳感器的A+線路與A/D轉換板脫開,量得傳感器側A+與SHIELD為11.4V
與其他傳感器互換,現象同樣,就是數據絕對值有一點差異
將傳感器的插頭整體脫開,量得傳感器連接線路上A+與SHIELD為0V,應可排除線路短路因素
驗證給傳感器供電的24VDC,電壓值為23.9V,完全正常
將其他設備拆來的傳感器試驗,現象也是如此,壓力有明顯變化時(由4MP變為0MP),模擬電壓卻沒有變化

到底是哪個環節有問題呢

同行若有同類經驗,還請不吝賜教
感激不勝