引用
引用樓主scw威偉于2012-11-18 11:34發表的 簡單的正反轉控制. :
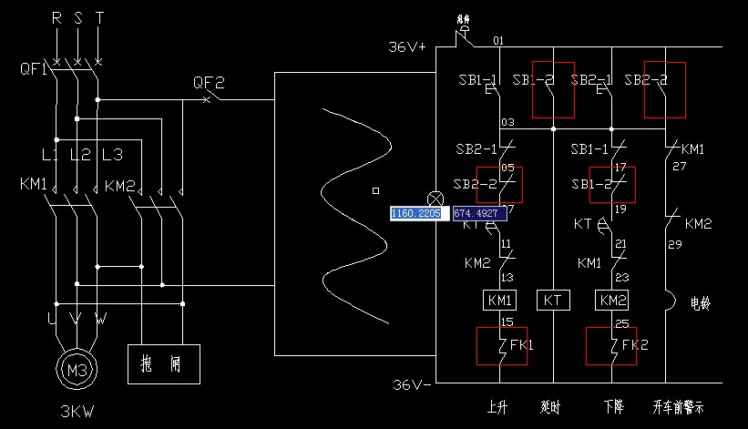
兩個接觸器(各兩對常開和常閉),一個時間繼電器(各兩對延時常開和常閉),兩個按鈕(常開常閉互鎖),一個電鈴,控制要求:按下SB1電鈴響3S后KM1吸合,松開SB1,KM1放開;按下SB2電鈴響3S后KM2吸合,松開SB2,KM2放開;KM1和KM2不能同時吸合,畫出最簡單安全的控制電路圖。。。。這是我們剛進電工班的入班必會題,也就是面試題目,大家不妨入手試試看,也可以上傳電路圖給大家學習學習,,,,哈哈.......

別打“哈哈”……
兩個接觸器(各兩對常開和常閉)【還有三個主觸點呢吧?】
一個時間繼電器(各兩對延時常開和常閉)【專業術語應該是:通電延時通觸點和通電延時斷觸點;或者是“通電斷,斷電延時通觸點”和“通電通,斷電延時斷觸點”。況且,你還沒有說明是“通電延時”方式還是“斷電延時”方式的“時間繼電器”,這兩種時間繼電器是有區別的。】
兩個按鈕(常開常閉互鎖)【應該這樣說明:兩個按鈕均是“復合觸點型按鈕”,否則,“兩個按鈕(常開常閉互鎖)”的說法,有“兩個按鈕”聯動之意,要不然,怎么會是“兩個按鈕(常開常閉互鎖)”?】
剛進電工班學習,應從嚴謹細致入手,腳踏實地,一步一個腳印地做好每一件細小的事情。若打“哈哈”成了習慣以后,會打著哈哈觸電的!