引用引用第1樓菜鳥學工控_1于2023-08-08 09:03發表的 :回原點不要用延時,你用最后一次絕對定位的Done信號上升沿觸發回原點,試試看,應該可以的
引用引用第2樓呂工于2023-08-08 09:48發表的 :延時時間太短,受掃描周期影響大。用定位完成標志最穩妥。
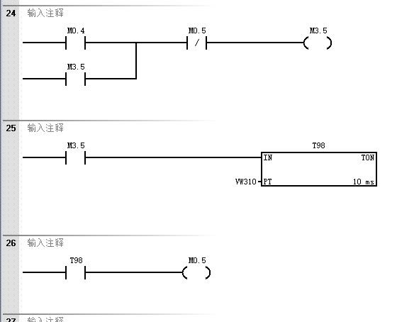
引用引用第6樓xlw415于2023-08-08 13:36發表的 :看了項目程序, 用法錯了.網絡24--26造成的效果是在一個周期同時T98和M0.5都為1, 其余0在同一個周期,網絡7用T98P執行絕對定位0,此時進入定位狀態,并且本周期定位還未完成在同一個周期,網絡8用M0.5P執行回原點,此網絡不起作用, 因為還在網絡7的定位中.......
引用引用第5樓哇咔咔于2023-08-08 11:58發表的 :用定位完成標志,啟動延時,然后再觸發回原點試試
引用引用第9樓daihdn于2023-08-08 15:47發表的 :個人看法是,程序受掃描順序和掃描周期的影響,應該把程序的上下順序調換一下,1,從一樓所示的程序網絡24,25,26,3個網絡的程序順序調換一下,按順序25,26,24的順序調整下,因為如果整個程序的掃描周期大于10MS的話,那個延時可能斷不開那個M3.5,,,,2,另外那個回原點程序網絡的8應該在26后面即M0.5ON的程 序后面,
引用引用第8樓風再起時于2023-08-08 15:32發表的 :可以回原點了,就是控制伺服轉動角度與設置角度不相符(小了),不知什么原因?
主辦單位:上海明控機電科技有限公司
本站所有內容均為網友自行發布,不代表網站立場,如有爭議請與管理員聯系
工控人家園是公益論壇,不銷售任何資料軟件,不銷售會員和積分
刪貼、投訴電話:13816792706
遵守法律,文明發言 滬ICP備10210768號-2 滬公網安備31010802001143號